![]() |
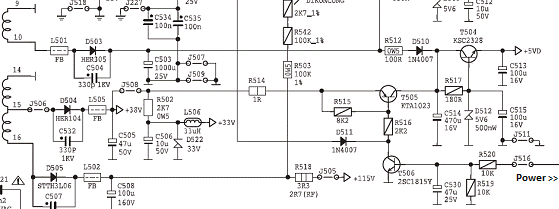
| Gambar Skema Mikro kontroler tv Polyton |
Pin-36 kontrol power dari mikrokontrol mengeluarkan tegangan “high”
Basis T506 ada tegangan sekitar 0.6v >> transistor “on” dan C-E seperti dishortkan >> kolektor tegangan nol >> dan transistor T505 kondisi “on”
Arus photocoupler akan seperti dishortkan langsung ke ground lewat D511 >> T506. Akibatnya semua tegangan sekunder drops.
Tegangan pada D504/elko C505 masih rendah hanya sekitar 12v Suply 5v untuk mikrokontrol akan diberikan dari tegangan 12v ini >> T505 >>
Regulator 5v T504 (yang ada zener 5.6v) Pada st-by tegangan B+ hanya sekitar 30v, tegangan 40v hanya sekitar 12v, tergangan 14v hanya sekitar 4v.
beberapa acuan analisa tegangan
Pengecekan
Cek apakah tegangan suply Vcc 5v untuk mikrokontrol normal
Paling sering dijumpai karena elko filter C505 untuk tegangan 40v kering. Elko kering mengakibatkan tegangan keluaran menjadi drops.
Pesawat on sebentar terus mati. Kadang disebabkan karena kerusakan D510. Karena hal ini menyebabkan tegangan 5v saat power-on untuk mikrokontrol drops

sip
ReplyDeleteHdhsj
ReplyDeleteMaaf master mau nanya, tv ane polytron PS 5223, di star semua tegangan drop b+ 50v,yg 40v jd 10v, yg 14v jadi 2v, kira2 apa yg harus di cek dulu master, trimakasih, pakai ic micro HBT OO-02G
ReplyDeletekalau saya malah curiga ke TR A1023 yang mengedropkan tegangan dari D504
ReplyDeleteMaaf master mo taya. Cerita nya lagi iseng buka polytron 32, tdinyta matot, otak Atik Ampe mumet akhirnya pake Gacun 5kabel, pasang tes teg standby 3v, 12v jadi 10v, tv ga mau hidup, kira-kira apanya lagi ya? Master...
ReplyDelete